IMU200A-B0 INS 9轴惯性测量单元
IMU200A-B0-IMU是一款基于微机械技术(MEMS)的惯性测量单元(IMU),内置高性能的MEMS陀螺和MEMS加速度计,输出3个角速度和3个加速度。IMU200A-B0-IMU具有可靠性高,环境适应性强。通过匹配不同的软件,产品可广泛应用于战术和行业无人机、智能弹药、导引头、动中通、测绘等领域。
陀螺测量范围:500~2000°/s 可选
陀螺仪零偏稳定性:X/Y: 3.2°/h、Z:1.6 °/h(Allan方差)
加速度范围:50~200g可选
加速度零偏稳定性:0.06mg(Allan方差)
……
产品特点
-----------------------------------------------------------------------------------------------------------------------------
1) 三轴数字陀螺仪:
A) ±2000º/s动态测量范围;
B) A0零偏稳定性:6°/h(GJB,10S,Z轴), 9°/h(GJB,1S,Z轴),1.6°/h(ALLAN,Z轴);
C) B0零偏稳定性:3°/h(GJB,10S,Z轴),4.5°/h(GJB,1S,Z轴),0.8°/h(ALLAN,Z轴);
2)三轴数字加速度计:
±200g动态测量范围;
A) A0零偏稳定性:0.4mg(GJB,10S), 0.6mg(GJB,1S),0.06mg(ALLAN);
B) B0零偏稳定性:0.2mg(GJB,10S),0.3mg(GJB,1S),0.03mg(ALLAN);
3) 三轴数字磁力计:2.5gauss
4) 数字气压计:300mbar~1100mbar
5) 高可靠性:MTBF>20000h;
6) 全温范围内(-40℃~+80℃)保证精度:内置高性能温度标定和补偿算法;
7) 适用于强振动条件下工作(6.06g,20~2000Hz);
8) 适应于大冲击条件下工作(1000g,0.5ms);
9)接口1路UART,1路SPI,1路CAN。
应用领域

Technical Parameter
IMU200A-B0 INS 9轴惯性测量单元
产品指标





电气接口


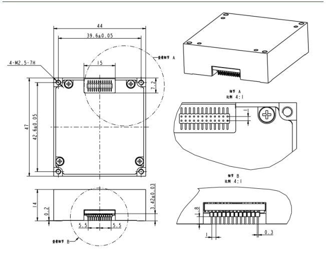
尺寸图

Product Consultation
Product Consultation Form
Contact Us